欢迎访问:上海程斯智能科技官网!
您当前位置: 首页  >  产品展示  >  医疗类检测仪器  >  细节再现器具-试样块划线面
细节再现器具-试样块划线面
  • 产品名称:
  • 号:
  • 牌:
  • 产品热线:

    19821311892

细节再现器具-试样块划线面

CSI-Z589

上海程斯

产品介绍

CSI-Z589 细节再现工装、细节再现器具、划线试验块

符合标准:
YY/T 0462-2018,7.7细节再现

 

介绍:

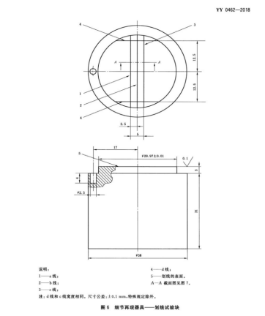
试验块:带如图6和图7中示的划线,由硬化不锈钢材质(400VHN)制成。

环形模具:如图8示。按GB/T131-2006,表面粗糙度为N5(Ra=0.4μm).

开口模具:如图9示。按GB/T131-2006,表面粗糙度为N5(Ra=0.4μm).

image.pngimage.png

image.png

image.png


5839b729ee353540f2e6a52b0b1d00f2.png

推荐产品

程斯智能|上海程斯智能科技有限公司|

品质保障

厂家直发 技术支持

终生维护

购物保障 终生维护

质保一年

一年内出现质量问题免费维修

X 傲颖

客服微信二维码

  • 24小时免费服务热线
  • 19821311892
  • 电话:13386202197

    传真:13386202197

    邮箱:csizhinengzxl@foxmail.com

    地址:上海市松江区洞业路999号

扫一扫 关注我们

扫一扫 添加客服

版权所有 © 上海程斯智能科技 沪ICP备19009154号-13  

在线咨询

QQ咨询

19821311892

微信咨询